APISTE 工业空调 控制柜空调ENC-GR1500EX-Pro
APISTE 工业空调 控制柜空调ENC-GR1500EX-Pro控制柜空调无氟利昂冷媒 无滤网 节能顶部安装ENC-GR1500EX-ProENC系列ENC-GR1500EX-Pro 产品详情指数规格 外形尺寸 风扇性能特性曲线规格(50/60Hz)安装类型顶部安装冷却能力(W)1400设定温度范围(℃)25~45使用温度范围(℃)20~55使用湿度范围(%RH)10~85(不结露)外形尺寸(m
APISTE 工业空调 控制柜空调ENC-GR1500EX-Pro控制柜空调无氟利昂冷媒 无滤网 节能顶部安装ENC-GR1500EX-ProENC系列ENC-GR1500EX-Pro 产品详情指数规格 外形尺寸 风扇性能特性曲线规格(50/60Hz)安装类型顶部安装冷却能力(W)1400设定温度范围(℃)25~45使用温度范围(℃)20~55使用湿度范围(%RH)10~85(不结露)外形尺寸(m
ENC系列

(50/60Hz)
| 安装类型 | 顶部安装 |
|---|---|
| 冷却能力(W) | 1400 |
| 设定温度范围(℃) | 25~45 |
| 使用温度范围(℃) | 20~55 |
| 使用湿度范围(%RH) | 10~85(不结露) |
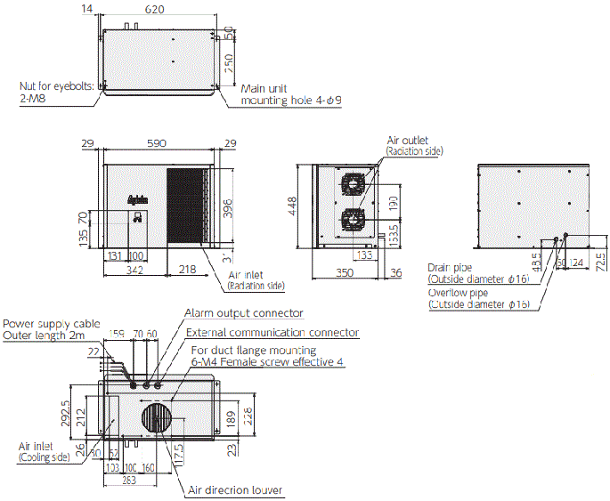
| 外形尺寸(mm) | H448×W590×D350 |
| 重量(Kg) | 大约31 |
| 外观颜色 | 浅米色 5Y 7/1 等效色 |
| 额定电压(V) | 单相AC200~240 |
| 消耗电流:额定(A) | 4.5 |
| 消耗功率:额定(W) | 750 |
| 推荐断路器能力(A) | 10 |
| 抗振性 | JIS Z0200 Level1 |
| 防尘/防尘保护等级 | 相当于IP54 (内循环路径) |
| 制冷剂/填充量(g) | R1234yf 600g |
| 噪音(分贝(A)) | 大约73 |
| 外部输出 | 额定电压常开:250 VAC 2A/30 VDC 2A |
| 表示 | 内部温度/错误/运行 |
制冷能力:环境温度35℃、使用环境湿度40%RH、电源电压200V时的额定容量值。 (试验方法:JIS B 8615-1 空气热焓试验法)
使用区域温度/湿度:使用区域温度/湿度并不意味着满足所有温度和湿度条件。
防尘/防尘保护等级:不包括排水口部分。
使用前一定要仔细阅读使用说明书,请正确使用。

警告输出和外部通讯电缆是可选的。
警告输出线:OP-ENCPR-OTR003
外部通讯电缆:OP-ENCPR-OTR004


*如果您在接近允许环境温度上限的环境使用控制柜 空调,请联系我们的销售代表。
[注意]
请正确使用,请在使用前阅读手册 交付的物品将在车上传递。
(国内指定位置,岛屿除外)将(额外费用)包机航班按数量、类型单独处理。
在海外交货时,我们建议单独包装海外。
请检查 FA 和电源(断路器)之间的空调,以检查 FA 断路器空调的相应规格。
故障原因,并在额定电源超出范围的情况下使用。
请定期使用服务和维护。
未能保持定期维护,您可能会成为产品性能退化问题的一个因素。
冬季室外温度较低时,请不要让FA空调连续运行。
在处置本产品时,您应遵守各种法律法规,请前往相应的。
详细信息请致电:15802125830 黄小姐