TSUBAKI椿本同步带轮PT30P2M6BF-A
TSUBAKI椿本同步带轮PT30P2M6BF-ATSUBAKI椿本同步带轮PT30P2M6BF-ATSUBAKI椿本同步带轮PT30P2M6BF-A更多详情咨询:13024103468 刘经理基本型号:P2M6BF-A单击放大PDF 外形图请参照下表DXF图形和3D CAD数据请参照下表※CAD 数据将通过 CADENAS Web2CAD Co., Ltd. 的 CAD图纸库网站“PARTcom
TSUBAKI椿本同步带轮PT30P2M6BF-ATSUBAKI椿本同步带轮PT30P2M6BF-ATSUBAKI椿本同步带轮PT30P2M6BF-A更多详情咨询:13024103468 刘经理基本型号:P2M6BF-A单击放大PDF 外形图请参照下表DXF图形和3D CAD数据请参照下表※CAD 数据将通过 CADENAS Web2CAD Co., Ltd. 的 CAD图纸库网站“PARTcom
TSUBAKI椿本同步带轮PT30P2M6BF-A
TSUBAKI椿本同步带轮PT30P2M6BF-A
TSUBAKI椿本同步带轮PT30P2M6BF-A
更多详情咨询:13024103468 刘经理
| ※ | CAD 数据将通过 CADENAS Web2CAD Co., Ltd. 的 CAD图纸库网站“PARTcommunity”的链接提供。 |
| ※ | 有关CAD数据和PARTcommunity的咨询,请联系Cadnas Web to Cad。 【CadnasWeb-to-Cad株式会社】 TEL:(03)5961‐5031 FAX:(03)5961‐5032 |
| PT | 30 | P2M | 6 | BF | -A |
| | 滑轮 | | 滑轮 齿数 | | 种类 (间距) | | 使用 皮带宽度 mm | | 滑轮 形式 (形状) | | 材质 -A:铝合金 |
| PT | S | F | 10 | 430 | 300 |
| | 滑轮 | | 材质 S:SPCC A:铝 | | 形状 | | 厚度t 例:1.0mm | | 外径Df 例:43.0mm | | 内径df 例:30.0mm |
| 滑轮本体 | 高强度铝 |
|---|---|
| 法兰 | 铝 |
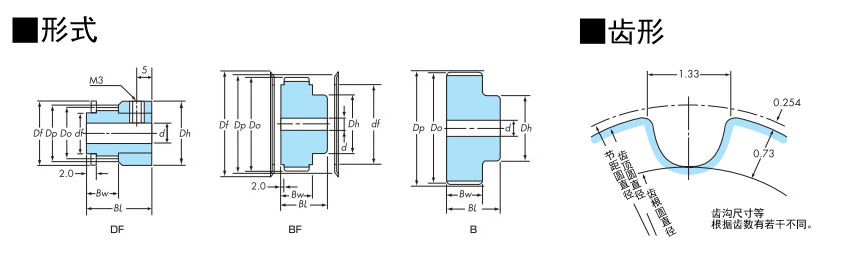
| 型号 | 齿数 | 节距圆 直径 DP mm | 齿顶圆圈 直径 做 mm | Bw mm | 最小 轴孔直径 mm | 最大 轴孔直径 mm | BL mm | 轮毂 直径 Dh mm | 约 质量 g | 惯性 力矩 ×10-8 kg・m 2 | 使用法兰 | DXF图元 3DCAD数据 PDF图纸 | 价格 | 交货期 | |
|---|---|---|---|---|---|---|---|---|---|---|---|---|---|---|---|
| PT28P2M6BF-A | 28 | 17.83 | 17.32 | 11.5 | 5 | 6.35 | 20 | 12 | 8.6 | 28.708 | PTAS10250150 | DXF・3DCAD | 请咨询 | 请咨询 | |
| PT29P2M6BF-A | 29 | 18.46 | 17.95 | 11.5 | 5 | 6.35 | 20 | 12 | 9.2 | 32.634 | PTAS10250150 | DXF・3DCAD | 请咨询 | 请咨询 | |
| PT30P2M6BF-A | 30 | 19.10 | 18.59 | 11.5 | 5 | 8 | 20 | 12 | 9.7 | 37.019 | PTAF10260150 | DXF・3DCAD | 请咨询 | 请咨询 | |
| PT31P2M6BF-A | 31 | 19.74 | 19.23 | 11.5 | 5 | 8 | 20 | 12 | 10.3 | 41.898 | PTAF10260150 | DXF・3DCAD | 请咨询 | 请咨询 | |
| PT32P2M6BF-A | 32 | 20.37 | 19.86 | 11.5 | 5 | 8 | 20 | 12 | 10.9 | 47.307 | PTAF10280160 | DXF・3DCAD | 请咨询 | 请咨询 | |
| PT33P2M6BF-A | 33 | 21.01 | 20.50 | 11.5 | 5 | 8 | 20 | 14 | 12.5 | 57.428 | PTAF10280160 | DXF・3DCAD | 请咨询 | 请咨询 | |
| PT34P2M6BF-A | 34 | 21.65 | 21.14 | 11.5 | 5 | 9 | 20 | 14 | 13.2 | 64.008 | PTAF10280160 | DXF・3DCAD | 请咨询 | 请咨询 | |
| PT35P2M6BF-A | 35 | 22.28 | 21.77 | 11.5 | 5 | 9 | 20 | 14 | 13.8 | 71.233 | PTAF10290180 | DXF・3DCAD | 请咨询 | 请咨询 | |
| PT36P2M6BF-A | 36 | 22.92 | 22.41 | 11.5 | 5 | 9 | 20 | 14 | 14.5 | 79.144 | PTAF10290180 | DXF・3DCAD | 请咨询 | 请咨询 | |
| PT37P2M6BF-A | 37 | 23.55 | 23.05 | 11.5 | 5 | 9 | 20 | 16 | 16.4 | 94.141 | PTAF10310190 | DXF・3DCAD | 请咨询 | 请咨询 | |
| PT38P2M6BF-A | 38 | 24.19 | 23.68 | 11.5 | 5 | 10 | 20 | 16 | 17.1 | 103.549 | PTAF10310190 | DXF・3DCAD | 请咨询 | 请咨询 | |
| PT39P2M6BF-A | 39 | 24.83 | 24.32 | 11.5 | 5 | 10 | 20 | 16 | 17.9 | 113.773 | PTAF10310190 | DXF・3DCAD | 请咨询 | 请咨询 | |
| PT40P2M6BF-A | 40 | 25.46 | 24.96 | 11.5 | 5 | 10 | 20 | 16 | 18.6 | 124.857 | PTAF10320212 | DXF・3DCAD | 请咨询 | 请咨询 | |
| PT41P2M6BF-A | 41 | 26.10 | 25.59 | 11.5 | 5 | 10 | 20 | 18 | 20.7 | 146.098 | PTAF10320212 | DXF・3DCAD | 请咨询 | 请咨询 | |
| PT42P2M6BF-A | 42 | 26.74 | 26.23 | 11.5 | 5 | 12 | 20 | 18 | 21.5 | 159.046 | PTAF10320212 | DXF・3DCAD | 请咨询 | 请咨询 | |
| PT43P2M6BF-A | 43 | 27.37 | 26.87 | 11.5 | 5 | 12 | 20 | 18 | 22.4 | 173.000 | PTAF10340230 | DXF・3DCAD | 请咨询 | 请咨询 | |
| PT44P2M6BF-A | 44 | 28.01 | 27.50 | 11.5 | 5 | 12 | 20 | 18 | 23.2 | 188.011 | PTAF10340230 | DXF・3DCAD | 请咨询 | 请咨询 | |
| PT45P2M6BF-A | 45 | 28.65 | 28.14 | 11.5 | 5 | 12 | 20 | 18 | 24.1 | 204.131 | PTAF10340230 | DXF・3DCAD | 请咨询 | 请咨询 | |
| PT46P2M6BF-A | 46 | 29.28 | 28.78 | 11.5 | 5 | 12 | 20 | 18 | 25.0 | 221.412 | PTAF10360224 | DXF・3DCAD | 请咨询 | 请咨询 | |
| PT47P2M6BF-A | 47 | 29.92 | 29.41 | 11.5 | 5 | 12 | 20 | 18 | 25.9 | 239.909 | PTAF10360224 | DXF・3DCAD | 请咨询 | 请咨询 | |
| PT48P2M6BF-A | 48 | 30.56 | 30.05 | 11.5 | 5 | 12 | 20 | 18 | 26.8 | 259.679 | PTAF10360224 | DXF・3DCAD | 请咨询 | 请咨询 | |
| PT49P2M6BF-A | 49 | 31.19 | 30.69 | 11.5 | 5 | 12 | 20 | 18 | 27.8 | 280.778 | PTAF10390265 | DXF・3DCAD | 请咨询 | 请咨询 | |
| PT50P2M6BF-A | 50 | 31.83 | 31.32 | 11.5 | 5 | 15 | 20 | 22 | 31.8 | 333.580 | PTAF10390265 | DXF・3DCAD | 请咨询 | 请咨询 | |
| PT56P2M6BF-A | 56 | 35.65 | 35.14 | 11.5 | 5 | 16 | 20 | 24 | 39.8 | 523.924 | PTAF10430300 | DXF・3DCAD | 请咨询 | 请咨询 | |
| PT60P2M6BF-A | 60 | 38.20 | 37.69 | 11.5 | 5 | 19 | 20 | 28 | 48.3 | 737.672 | PTAF10450335 | DXF・3DCAD | 请咨询 | 请咨询 | |
| PT64P2M6B-A | 64 | 40.74 | 40.24 | 11.5 | 10 | 19 | 20 | 28 | 50.0 | 913.718 | --- | DXF・3DCAD | 请咨询 | 请咨询 | |
| PT72P2M6B-A | 72 | 45.84 | 45.33 | 11.5 | 12 | 22 | 20 | 34 | 65.9 | 1560.431 | --- | DXF・3DCAD | 请咨询 | 请咨询 | |
| PT80P2M6B-A | 80 | 50.93 | 50.42 | 11.5 | 12 | 22 | 20 | 34 | 78.1 | 2240.944 | --- | DXF・3DCAD | 请咨询 | 请咨询 | |
| PT84P2M6B-A | 84 | 53.48 | 52.97 | 11.5 | 12 | 24 | 20 | 36 | 87.3 | 2750.238 | --- | DXF・3DCAD | 请咨询 | 请咨询 | |
| PT90P2M6B-A | 90 | 57.30 | 56.79 | 11.5 | 12 | 24 | 20 | 36 | 97.8 | 3522.033 | --- | DXF・3DCAD | 请咨询 | 请咨询 | |
| PT96P2M6B-A | 96 | 61.12 | 60.61 | 11.5 | 15 | 25 | 20 | 38 | 108.2 | 4547.299 | --- | DXF・3DCAD | 请咨询 | 请咨询 | |
| PT112P2M6B-A | 112 | 71.30 | 70.79 | 11.5 | 15 | 25 | 20 | 38 | 141.9 | 8118.969 | --- | DXF・3DCAD | 请咨询 | 请咨询 | |
备注
1.也可制作上表以外的形式、材质 (特型品),敬请咨询。
2.以库存品的最小使用轴孔径公差0~28μm完成加工。
3.库存品的法兰在未组装本体的状态下打包。